Automatický záložní zdroj MEDVED Grizzli 7000 B CCL ATS s technickou podporou
Na námi prodané záložní zdroje značky MEDVED provádíme autorizovaný servis s dodávkou náhradních dílů a příslušenství.
Na námi prodané elektrocentrály poskytujeme slevu 15% na pozáruční servisní práce.
Profesionální třífázová elektrocentrála MEDVED Grizzli 7000 B CCL ATS s motorem Briggs&Stratton je sestavena jako automatický záložní zdroj elektrické energie pro firmy, rodinné domy, obchody, provozovny, menší výroby, dílny, sklady, výtahové systémy atd. Jejich předností je kompaktní rozměr, nízká hmotnost, jednoduchá údržba a nízké servisní náklady.
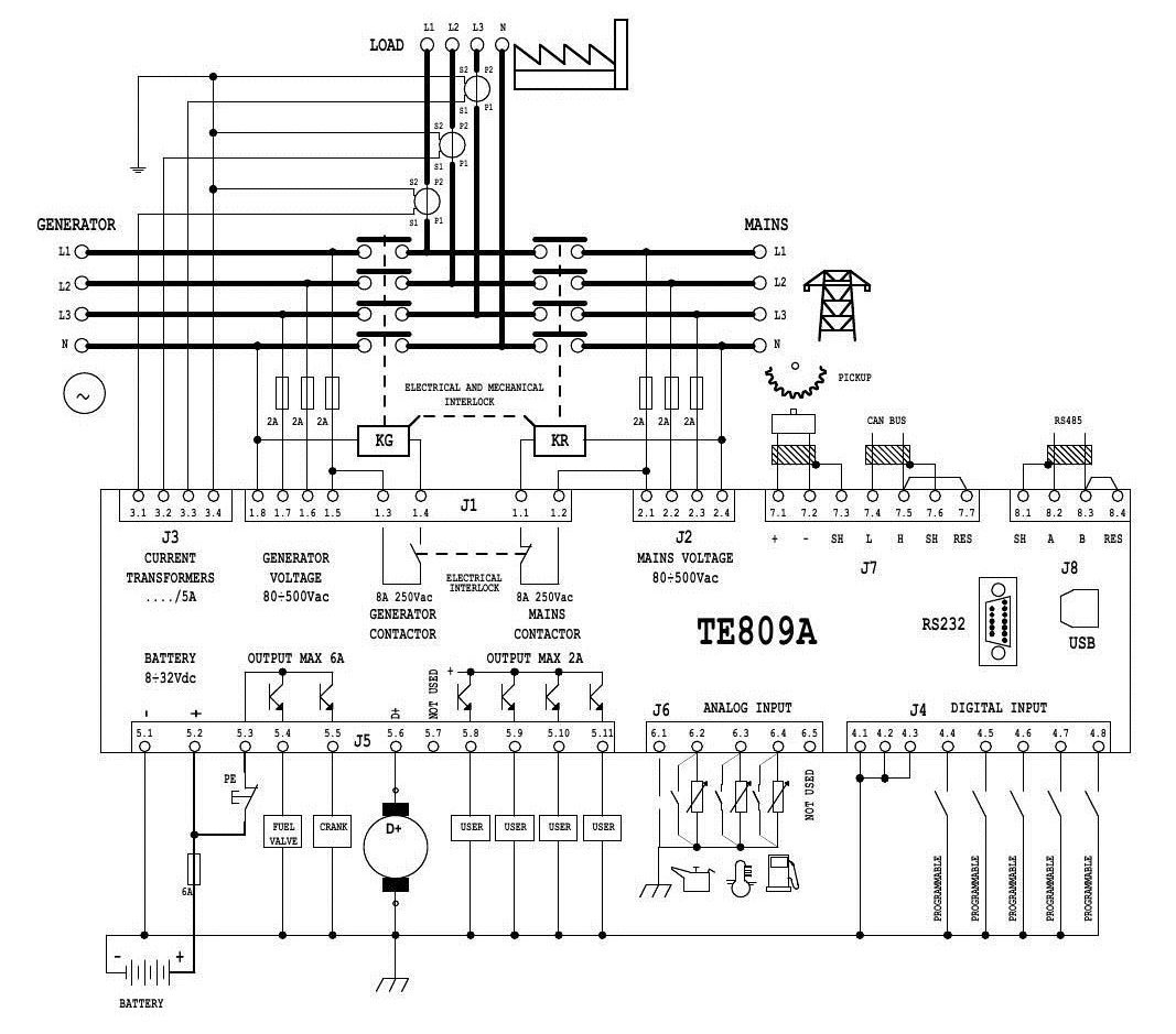
Záložní generátor s automatickým startem je napojen na rozvaděč stávajícího elektrického rozvodu a v případě výpadku sítě se sám nastartuje a přípojí. Přepínač elektrocentrála/rozvodná síť je zabudován uvnitř řídící jednotky AT207. Náhradní zdroje jsou vybaveny elektrickým startérem, který zajišťuje bezobslužné startování a pravidelné profylaktické starty prověřující připravenost systému.
Pokročilá automatická jednotka AT207 se pečlivě stará o připravenost systému - hlídá napětí baterie, neustále kontroluje napětí v síti a v případě výpadku systém nastartuje a připojí se k rozvaděči. Po opětovném naběhnutí sítě se sama odpojí a vypne. Současně umožňuje řadu programovatelných funkcí. Volitelný GSM modul zajišťuje vzdálený dohled a ovládání pomocí mobilního telefonu.
Elektrocentrála je vybavena základní kapacitní regulací napětí CCL pro napájení běžných elektrospotřebičů, čerpadel a motorů.
Záložní zdroje ATS dodáváme jako kompletně zapojené sestavy se snadným připojením k rozvaděči včetně technické podpory a zaškolení při instalaci. Nabízíme k nim také širokou škálu příslušenství pro umístění v interiéru nebo exteriéru.
Technické parametry
výkon alternátoru (400/230V)
celkový proud (400/230V)
napětí / kmitočet
účiník (400V / 230V)
regulace napětí
motor Briggs&Stratton 25T2
palivo
objem palivové nádrže
spotřeba paliva
startování
olejový hlídač
elektrické krytí
proudová ochrana
hlučnost (A)
zásuvky (400V / 230V)
rozměry (DxŠxV)
hmotnost
7,0 / 4,2
10,0 / 18,3
400 / 230 / 50
0,8 / 0,9
kapacitní
9,7 / 13,0
benzín
6,6
2,1
elektrické
ano
IP23
ano
96
na vyžádání
800x564x577
89
kVA
A
V / Hz
kW / HP
l
l/hod.
dB
mm
kg
Charakteristika a přednosti
- profesionální záložní elektrocentrála kompaktních rozměrů
- kompletně zapojený záložní zdroj s technickou podporou při instalaci
- elektrické připojení sestavy k rozvaděči zabere cca 20-30 minut
- jednoduchá obsluha - automatický i manuální režim
- záložní generátory jsou vhodné pro vnitřní i venkovní umístění
- spolehlivý motor Briggs&Stratton s bezobslužným startem
- elektronicky řízený sytič se servomotorem a tepelným čidlem
- řídící automatika AT 207 s mechanickými stykači
- pravidelné profylaktické starty prověřující připravenost systému
- možnost vzdálené kontroly a ovládání pomocí mobilního telefonu
- možnost dálkového sledování stavu paliva v nádrži
- široký výběr příslušenství - velká palivová nádrž, horní kapotáž, ...
- snadná manipulace a pravidelná údržba
- česká výroba, servisní zázemí
V uvedených cenách je zahrnuta doprava, předprodejní servis a technická podpora se zaškolením při instalaci.
Na záložní zdroje MEDVED je poskytována záruka 24 měsíců.
Na námi dodaný náhradní zdroj provádíme autorizovaný záruční a pozáruční servis s dodávkou náhradních dílů a příslušenství.
Jsme autorizovaným servisem strojů a motorů Briggs&Stratton. Na námi prodané stroje poskytujeme slevu na pozáruční servis 15%.
Potřebujete poradit se správným výběrem nebo vhodnou aplikací záložní elektrocentrály pro váš dům nebo firmu? Nejste si jisti, kam záložní generátor umístit, jak vyřešit elektrické připojení, jak zajistit odvětrání a chlazení? Jak zajistit dlouhodobou připravenost a spolehlivost záložního zdroje? Rádi vám poradíme a pošleme cenovou nabídku.
Elektrocentrály MEDVED jsou vyráběny v České republice jako vysoce kvalitní záložní zdroje pro profesionální použití. Produktová řada obsahuje ucelenou typovou a výkonovou škálu, která splňuje náročné požadavky zákazníků. Generátory jsou sestavovány z vysoce kvalitních součástí od prověřených dodavatelů - špičkové motory HONDA, Briggs&Stratton, Vanguard a alternátory LINZ.

|
|
|



prodej
servis
půjčovna
použité stroje
služby
odborné články
kontakt

